info@nbahy.com
Home
About us
Products
Photo Gallery
FAQ
Contact us
Product list
Auger Drive
Gearbox Drive
Excavator Hydraulic Drive
Hydraulic Winch
Hydraulic Rotator
Hydraulic Motor
XSM
XWM
OMS
BM
XSTFC
CA
A2FE
QJM
Perforating guns
Miscellaneous
Contact us
Contact:Mr Lu
Tel:+86-186 5823 7085
Email:
info@nbahy.com
Excavator Hydraulic Drive
Home
Products
Excavator Hydraulic Drive
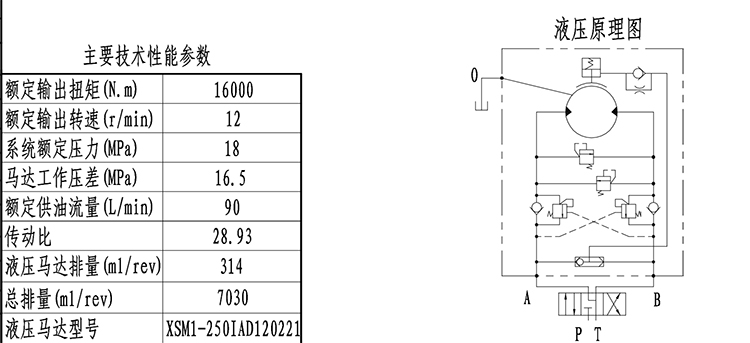
1.5-3T excavator travel motor, IGT series excavator track motor for construction machinery
Description
Related Products
1.5-3T excava
3-5T excavato
6-8T hydrauli
1.5-3T excava
6-8T excavato